Trong chế tạo cơ khí, bánh răng là một bộ phận được sử dụng rất phổ biến và đóng vai trò rất quan trọng đối với nhiều loại sản phẩm thiết bị cơ khí. Để thiết kế bản vẽ có chi tiết bánh răng nhanh chóng thì thư viện CAD bánh răng là lựa chọn không thể phù hợp hơn. Bài viết dưới đây sẽ cùng bạn tìm hiểu về thư viện bánh răng trong CAD và cách sử dụng AutoCAD Mechanical để tạo bánh răng trong CAD.
LINK GOOGLE DRIVE: https://drive.google.com/file/d/1srWPf_bBR7vzmW8mFMUrwZ_oPoU2rj0P/view
Nội dung
1. Thư viện bánh răng trong CAD là gì?
Thư viện bánh răng trong CAD hay thư viện CAD bánh răng là tập hợp các bản vẽ sẵn chi tiết bánh răng sử dụng trong ngành cơ khí chế tạo máy. Sử dụng thư viện CAD bánh răng này giúp kỹ sư hoàn thiện nhanh chóng các bản vẽ kỹ thuật trong thời gian ngắn nhất với tỷ lệ chuẩn xác nhất.

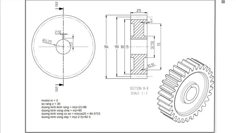
Bản vẽ CAD bánh răng tiêu chuẩn

Bản vẽ bánh răng khi xuất bản mềm
2. Cách tạo bánh răng trong CAD
2.1. Tạo bản vẽ mới trong AutoCAD Mechanical

Giao diện phần mềm AutoCAD Mechanical
Để tạo bản vẽ bánh răng trong CAD, đầu tiên bạn cần tạo bản vẽ mới. Đây là bước rất quan trọng.
Trước hết bạn cần mở hộp thoại Option và chuyển tiêu chuẩn ANSI sang ISO, nếu để nguyên tiêu chuẩn ANSI thì đơn vị mặc định của bánh răng sẽ là inch, một lỗi cơ bản mà rất nhiều bạn thường gặp phải. Sau đó là chọn tỉ lệ lý tưởng (Scale model) là 1:1.
2.2. Vào Tab Content chọn mục Shaft Generator
Tiếp theo bạn vào Tab Content và tìm chọn mục Shaft Generator và vẽ một đường tâm bất kỳ trong vùng trống thiết kế.
Khi hộp thoại Shaft Generator hiện ra hãy chọn thẻ Outer Contour và click chọn vào mẫu thiết kế bạn muốn. Lúc này hộp thoại thiết kế bánh răng (hộp thoại Gear) xuất hiện và yêu cầu bạn nhập các thông số thiết kế đã tính toán trước đó cho bánh răng. Sau đó click OK để hoàn thành bước setup thông số bánh răng.
2.3. Tùy chỉnh bánh răng
Khi đã có mô hình bánh răng, bạn chuyển qua giai đoạn tiếp theo là tuỳ chỉnh thiết kế cho bánh răng bằng cách vát góc, tạo lỗ, chèn mayor,…
- Vát góc: Chỉnh sửa bằng cách nhấn đúp chuột vào đường tâm
- Chèn lỗ: Chọ tab Left inner Contour tại hộp thoại Shaft Generator
- Nhập chiều dài lỗ: Click chuột vào chiều dài hình để nhập chiều dài lỗ
- Nhập đường kính lỗ: Click chuột vào chiều ngang hình để nhập đường kính lỗ
- Chèn then: Click chọn Std. Parts => Hubs
2.4. Xuất hình chiếu bánh răng
Để xuất hình chiếu bánh răng, bạn nháy chuột vào đường tâm của hình để mở hộp thoại Shaft Generator, chọn thẻ Outer Contour và click vào ô Option. Sau đó tại mục Front View và lựa chọn các tùy chọn xuất hình chiếu theo mong muốn rồi click OK là đã xuất hình chiếu bánh răng thành công.

Hoàn thành bản vẽ bánh răng
LINK DOWNLOAD GOOGLE DRIVE: https://drive.google.com/file/d/1srWPf_bBR7vzmW8mFMUrwZ_oPoU2rj0P/view
3. Thư viện AutoCAD 2d cơ khí
Thư viện AutoCAD 2D cơ khí bao gồm rất nhiều các loại CAD chi tiết dành cho bản thiết kế 2D của lĩnh vực cơ khí. Đây là một công cụ hỗ trợ đắc lực cho các kỹ sư trong việc thiết kế và hoàn thiện bản vẽ kỹ thuật với độ chính xác rất cao. Nếu bạn đang có dự định tìm hiểu và theo đuổi ngành chế tạo cơ khí thì đừng quên trang bị cho mình thư viện CAD cơ khí 2D nhé.

Bản vẽ cơ khí CAD côn trụ

Thư viện AutoCAD cơ khí 2D bulong đai ốc
Trên đây là bài viết tham khảo về thư viện bánh răng trong CAD và cách vẽ bánh răng đơn giản bằng AutoCAD Mechanical. Mong rằng bài viết sẽ đem lại cho bạn nhiều thông tin hữu ích.
LINK GOOGLE VỀ CƠ KHÍ: https://drive.google.com/file/d/1srWPf_bBR7vzmW8mFMUrwZ_oPoU2rj0P/view
Xem thêm: cách mở Autocad online tại đây
Xem thêm:
| Tên Thư viện cad | Link download |
| Thư viện cad nội thất | TẠI ĐÂY |
| Thư viện cad nội thất tân cổ điển | TẠI ĐÂY |
| Thư viện cad nội thất cổ điển | TẠI ĐÂY |
| Thư viện cad bàn thờ | TẠI ĐÂY |
| Thư viện cad tủ bếp | TẠI ĐÂY |
| Thư viện cad tủ quần áo | TẠI ĐÂY |
| Thư viện cad văn phòng | TẠI ĐÂY |
| Thư viện bàn ghế cad | TẠI ĐÂY |
| Thư viện cad bàn ghế cafe | TẠI ĐÂY |
| Thư viện cad bàn ghế văn phòng | TẠI ĐÂY |
| Thư viện bánh răng trong cad | TẠI ĐÂY |
| Thư viện cad cơ khí | TẠI ĐÂY |
| Thư viện block thuộc tính trong cad | TẠI ĐÂY |
| Thư viện cad | TẠI ĐÂY |
| Thư viện cad 2d | TẠI ĐÂY |
| Thư viện cad biện pháp thi công | TẠI ĐÂY |
| Thư viện cad công nhân xây dựng | TẠI ĐÂY |
| Thư viện cad bu lông | TẠI ĐÂY |
| Thư viện ốc vít trong cad | TẠI ĐÂY |
| Thư viện cad camera | TẠI ĐÂY |
| Thư viện cad cầu thang | TẠI ĐÂY |
| Thư viện cad cây xanh | TẠI ĐÂY |
| Thư viện cad chi tiết gờ phào chỉ kiến trúc | TẠI ĐÂY |
| Thư viện cad chuyên ngành nước | TẠI ĐÂY |
| Thư viện cad cnc | TẠI ĐÂY |
| Thư viện cad cửa | TẠI ĐÂY |
| Thư viện cad cửa eurowindow | TẠI ĐÂY |
| Thư viện cad cửa gỗ | TẠI ĐÂY |
| Thư viện cad cửa kính | TẠI ĐÂY |
| Thư viện cad cửa lùa | TẠI ĐÂY |
| Thư viện cad cửa sắt kéo | TẠI ĐÂY |
| Thư viện cad cổng sắt | TẠI ĐÂY |
| Thư viện cad cổng tường rào | TẠI ĐÂY |
| Thư viện cad đèn chiếu sáng | TẠI ĐÂY |
| Thư viện cad điện | TẠI ĐÂY |
| Thư viện cad điện công nghiệp | TẠI ĐÂY |
| Thư viện cad điện dân dụng | TẠI ĐÂY |
| Thư viện cad chống sét | TẠI ĐÂY |
| Thư viện cad m&e | TẠI ĐÂY |
| Thư viện cad điều hòa | TẠI ĐÂY |
| Thư viện cad giàn giáo | TẠI ĐÂY |
| Thư viện cad máy bơm nước | TẠI ĐÂY |
| Thư viện cad máy thi công | TẠI ĐÂY |
| Thư viện cad pccc | TẠI ĐÂY |
| Thư viện cad phòng gym | TẠI ĐÂY |
| Thư viện cad quạt | TẠI ĐÂY |
| Thư viện cad thiết bị vệ sinh | TẠI ĐÂY |
| Thư viện cad van nước | TẠI ĐÂY |
| Thư viện kiến trúc cad | TẠI ĐÂY |
| Thư viện thang máy cad | TẠI ĐÂY |
| Thư viện thép hình trong cad | TẠI ĐÂY |
| Thư viện photoshop | TẠI ĐÂY |







